高速公路护栏板
高速公路双波护栏
高速公路三波护栏
高速公路护栏立柱
高速公路护栏柱帽
高速公路护栏端头
高速公路护栏托架
高速公路护栏防阻块
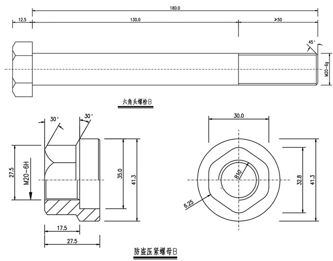
高速公路护栏螺栓/垫片
旋转式防撞护栏
出口高速公路防撞护栏
销售电话:181-0866-3385
地址:武汉市蔡甸区蔡甸大街张湾 工业园(汉阳一中前行500米)
修改时间:2018-08-07 浏览次数:12次
高速公路护栏螺栓
拼接螺栓的外形应符合工程图纸要求带螺纹的拼接螺栓进行图层处理后,不应因图层而影响配合。当护栏板采用防盗螺栓时,其螺栓的机械性能和装卸操作性能应符合国家标准规定
连接螺栓:M16*170/180用于立柱和防阻块连接
连接螺栓:M16*32/35用于防阻块和板之间连接
拼接螺栓:M16*42/45用于板与板之间连接。
鄂公网安备 42011402000201号